型 號:
規 格:
公司名稱:
保質周期:
價 格(≤ 1) ¥電議 /臺
優惠價格(≥ 5):電議
來源:http://www.www85360.cn/?分類:鋼板吊裝工具 時間:2025.7.14
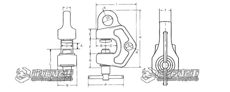
? ?在建筑施工現場,立柱、橫梁等大型構件的吊裝作業是核心環節,其穩定性直接關系到施工效率、人員安全和工程質量。傳統的吊裝方式常常面臨角度受限、緊固不牢、易松動脫落等痛點。SBB型螺旋鋼板鉗應運而生,憑借其多項創新設計,解決了這些難題,為吊裝作業帶來前所未有的安全與穩定!

核心優勢:全向適用,智能穩固
SBB型螺旋鋼板鉗最大的亮點在于其“全方向使用” 能力。無論構件處于何種角度,SSBB型螺旋鋼板鉗都能靈活適應,提供可靠夾持,大大提升了立柱橫梁吊裝的靈活性和效率。
球面鉗口姿態控制機構: 精準貼合,自適應角度!
獨特的球面設計使鉗口能根據被夾持物的表面角度自動調整姿態,確保最大面積的緊密接觸,有效分散壓力,防止構件表面損傷,同時提供均勻、穩固的夾持力,告別立柱橫梁吊裝打滑風險。
前端旋轉襯墊式緊固螺絲: 省力高效,保護構件!
螺絲前端集成可旋轉的耐磨襯墊。在旋緊過程中,襯墊能自由旋轉,減少摩擦,使操作更省力順暢。同時,襯墊直接接觸立柱橫梁表面,避免了螺絲本體對立柱橫梁造成的劃傷或壓痕,
緊固狀態確認線: 一目了然,安全可視!
SBB型螺旋鋼板鉗上設有清晰的緊固狀態確認線。操作人員只需觀察確認線的位置,即可直觀、快速地判斷SBB型螺旋鋼板鉗是否已達到安全可靠的緊固狀態。這大大消除了人為判斷誤差,是預防立柱橫梁松動、保障安全的關鍵保障。?
無負載時防脫落機構: 雙重保險,萬無一失!
特別設計的防脫落機構,即使在SBB型螺旋鋼板鉗未承受吊裝負載(例如安裝、調整或拆卸過程中),也能有效防止SBB型螺旋鋼板鉗意外松脫或墜落。這為立柱橫梁吊裝高空作業和復雜環境下的操作提供了額外的安全保障,讓施工人員更安心。

煙臺開發區龍海起重工具專注起重工具近30年,行業經驗豐富:凡是在我公司購買的SBB型螺旋鋼板鉗均為日本EAGLE CLAMP原裝進口品牌產品,如果購買后鑒定為假貨、仿貨、拆件貨,均以產品貨值百倍賠償,承擔一切責任。 想要了解更多產品選型、實拍、案例視頻以及定制方案等歡迎致電咨詢:聯系方式。
本文“SBB型螺旋鋼板鉗:立柱橫梁安全吊裝新標桿”是龍海起重工具原創內容,不接受任何形式轉載。
如果您對SBB型螺旋鋼板鉗不了解請仔細閱讀以下相關新聞: