型 號:DUW-S型DAIKI搬運小坦克
規 格:2噸-10噸DAIKI搬運小坦克
公司名稱:日本DAIKI搬運小坦克
保質周期:12
價 格(≤ 1) ¥電議 /臺
優惠價格(≥ 5):電議

DAIKI DUW-S型搬運小坦克屬于日本DAIKI品牌原裝進口產品,煙臺開發區龍海起重工具有限公司為其代理商,我公司承諾售出的DAIKI品牌產品均為原裝進口產品!!

DAIKI DUW-S型搬運小坦克介紹:
◆DAIKI DUW-S型搬運小坦克采用低床設計,車體結構為一體鍛造,結構穩定,產品質量可靠.
◆DUW-S型搬運小坦克的輪子采用聚氨酯輪,耐磨損且不損傷地面,配有4個坦克輪,運行阻力小,搬運順暢,承載穩定.
◆DAIKI?DUW-S型搬運小坦克帶有轉盤,轉向操作靈活,且轉盤中心設有螺紋孔,方便搬運小坦克與重物固定,防止發生滑脫事故,安全系數高.
【相關產品】日本DAIKI品牌中另一款低型搬運小坦克-DUW-P型DAIKI搬運小坦克?詳情:http://www.www85360.cn/zxbyxtk/183.html

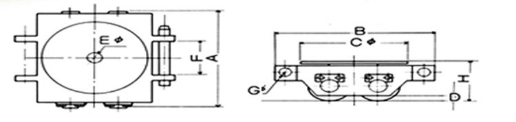
DAIKI DUW-S型搬運小坦克尺寸圖:
??? ???? ???? ???? ???? ???? ???? ???? ???? ?? ?? ???? ???? ???? ???? ???? ??????????? ?? ?? ???? ???? ???? ???? ???? ???? ???? ???? ???? ???? ???? ?? ?? ???? ???? ???? ???? ???? ???? ???? ???? ???? ???? ?????
|
型 號 |
載荷 |
滑輪 |
重量 |
A |
B |
φC |
D |
E |
F |
φG |
H 高度 |
|
DUW-2S |
2T |
50×73×4 |
7 |
195 |
250 |
150 |
9 |
M16 |
114 |
23 |
67 |
|
DUW-3S |
3T |
60×80×4 |
11 |
215 |
250 |
150 |
11 |
M16 |
114 |
23 |
80 |
|
DUW-5S |
5T |
80×80×4 |
15 |
215 |
295 |
200 |
13 |
M20 |
114 |
23 |
105 |
|
DUW-10S |
10T |
100×125×4 |
29 |
307 |
350 |
240 |
21 |
M20 |
114 |
23 |
128 |
注:由于產品不斷改良,當外形與參數變更時,均以實物為主,想要了解更多產品詳情可電話聯系我們.

DAIKI DUW-S型搬運小坦克為日本原裝進口產品,保質1年,我公司承諾凡是客戶在我公司定購的進口類產品均為原裝正品,絕不存在拆件貨,換件貨,假冒品牌產品,凡客戶從我公司訂購日本DAIKI產品如收到貨物時發現有拆件貨,換件貨,假冒、假貨仿貨均以100倍金額賠償。