型 號:DUW型DAIKI搬運小坦克
規 格:2噸-5噸DAIKI搬運小坦克
公司名稱:日本DAIKI搬運小坦克
保質周期:12
價 格(≤ 1) ¥電議 /臺
優惠價格(≥ 5):電議
DUW型DAIKI搬運小坦克屬于日本DAIKI品牌原裝進口搬運小坦克,其本體高度相比普通搬運小坦克要低,設備與地面縫隙較小的場合可選用此產品,我公司承諾該品牌產品均為原裝進口!!

DUW型DAIKI搬運小坦克,DUW型搬運小坦克

DUW型DAIKI搬運小坦克介紹:
◆DUW型DAIKI搬運小坦克配有4個搬運坦克輪,運行阻力小,可長期穩定輕松搬運重物.
◆DUW型搬運小坦克采用高強度耐磨的聚氨酯膠輪,搬運過程中對地面無損傷,承載穩定,耐磨性優越,輪子可更換為鋼輪.
◆日本DAIKI DUW型搬運小坦克帶有轉盤,轉向操作靈活,可靈活調整重物搬運方向和位置,定位選擇更加簡單.
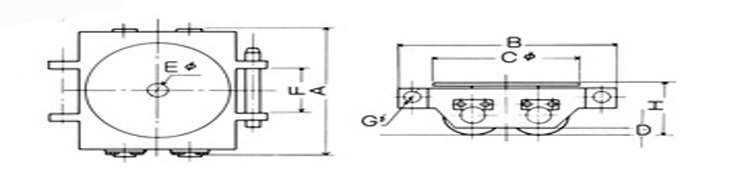
DUW型DAIKI搬運小坦克尺寸圖:

|
型號 |
載荷 |
滑輪 |
重量 |
A |
B |
φC |
D |
E |
F |
φG |
H |
|
DUW-2 |
2T |
60×80×4 |
11 |
215 |
250 |
150 |
11 |
M16 |
114 |
23 |
80 |
|
DUW-3 |
3T |
80×80×4 |
15 |
215 |
295 |
200 |
13 |
M20 |
114 |
23 |
105 |
|
DUW-5 |
5T |
100×125×4 |
36 |
315 |
355 |
240 |
21 |
M20 |
114 |
23 |
128 |
注:由于產品不斷改良,當外形與參數變更時,均以實物為主,想要了解更多產品詳情可電話聯系我們.

DUW型DAIKI搬運小坦克屬于日本DAIKI品牌產品,保質12個月,凡客戶從我公司定購此品牌產品如收到貨物時發現有假貨仿貨均以100倍金額賠償.