型 號:WR-UA型TIRROLLER轉向搬運小坦克
規 格:2噸-8噸TIRROLLER轉向搬運小坦
公司名稱:日本TIRROLLER轉向搬運小坦克
保質周期:12
價 格(≤ 1) ¥電議 /臺
優惠價格(≥ 5):電議


◆WR-UA型TIRROLLER轉向搬運小坦克,前輪可以左右45°旋轉,可以平滑轉彎;
◆TIRROLLER轉向搬運坦克車采用聚氨酯輪,降低對地面損傷,可以在鋼板路面、混凝土路面使用;
◆WR-UA型日本轉向搬運小坦克可以鎖定方向,充當直行搬運小坦克使用;
日本TIRROLLER轉向搬運小坦克廣泛應用于工廠設備的搬運、轉運、就位,車間布局的變更,車床、磨床、刨床的移動安裝,變壓器、鍋爐等大型設備的移動,污染控制設備的移動和安裝、住宅建設中房屋預制板、鋼鐵家具的移動及無塵環境的精密設備搬運等。

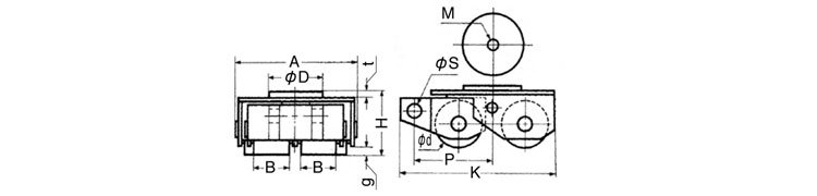
WR-UA型TIRROLLER轉向搬運小坦克尺寸圖:
|
型號 |
WR-2UA |
WR-3UA |
WR-5UA |
WR-8UA |
|
|
安全載荷(t) |
2 |
3 |
5 |
8 |
|
|
自重(kg) |
18 |
21 |
37 |
53 |
|
|
移動阻力 |
鋼板路面 |
0.05 |
0.05 |
0.05 |
0.05 |
|
混凝土路面 |
0.07 |
0.07 |
0.07 |
0.07 |
|
|
轉向阻力 |
鋼板路面 |
19 |
30 |
50 |
80 |
|
混凝土路面 |
22 |
35 |
57 |
92 |
|
|
框架 |
A |
267 |
293 |
335 |
395 |
|
K |
342 |
351 |
411 |
478 |
|
|
P |
159 |
159 |
184 |
214 |
|
|
H |
107 |
111 |
137 |
161 |
|
|
g |
12 |
16 |
28 |
42 |
|
|
ØS |
26 |
26 |
26 |
31 |
|
|
輪子 |
材質 |
聚氨酯 |
|||
|
個數 |
4 |
4 |
4 |
4 |
|
|
Ød |
65 |
75 |
100 |
120 |
|
|
B |
75 |
90 |
110 |
140 |
|
|
轉盤 |
ØD |
180 |
180 |
240 |
240 |
|
t |
9 |
9 |
9 |
9 |
|
|
M |
M20 |
M20 |
M20 |
M20 |
|
|
手柄(可選) |
PH-25 |
PH-25 |
PH-25 |
PH-30 |
|

WR-UA型TIRROLLER轉向搬運小坦克屬于日本TIRROLLER品牌原裝進口產品,保質12個月(易損件除外),凡客戶從我公司定購此品牌產品如收到貨物時發現有假貨仿貨均以100倍金額賠償。