型 號:TIRROLLER WBL型搬運小坦克
規 格:3噸-8噸搬運小坦克
公司名稱:日本TIRROLLER
保質周期:12
價 格(≤ 1) ¥電議 /臺
優惠價格(≥ 5):電議


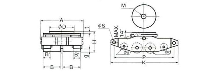
◆TIRROLLER?WBL型搬運小坦克的承載板可達14°傾斜,其框架前部和后部的輔助滾輪確保在傾斜的軌道上進行安全調平;
◆WBL型搬運小坦克屬于過障礙搬運小坦克,可以從貨車(車身傾斜式)直接裝卸貨物。
◆WBL型搬運小坦克體積小,載重量大,適合中小型設備的搬運。

TIRROLLER?WBL型搬運小坦克尺寸圖:

TIRROLLER WBL型搬運小坦克參數
|
??????????型 ???????????號 |
WBL-3U |
WBL-5U |
WBL-8U |
|||
|
?載???荷(t) |
3 |
5 |
8 |
|||
|
??????????自????????????重(kg) |
23 |
45 |
65 |
|||
|
移動阻力 |
鋼板路面 |
0.05 |
0.05 |
0.05 |
||
|
混凝土路面 |
0.07 |
0.07 |
0.07 |
|||
|
框架 |
A |
245 |
294 |
354 |
||
|
K |
470 |
560 |
630 |
|||
|
P |
410 |
500 |
570 |
|||
|
H |
144 |
173 |
193 |
|||
|
g |
18 |
25 |
35 |
|||
|
?S |
26 |
26 |
31 |
|||
|
輪子 |
型式 |
聚氨酯 |
||||
|
個數 |
4 |
4 |
4 |
|||
|
?d |
75 |
100 |
120 |
|||
|
B |
90 |
110 |
140 |
|||
|
型式 |
? |
|||||
|
個數 |
4 |
4 |
4 |
|||
|
?d |
45 |
55 |
75 |
|||
|
B |
50 |
60 |
80 |
|||
|
轉盤 |
?D |
150 |
180 |
240 |
||
|
t |
6 |
9 |
9 |
|||
|
M |
M16 |
M20 |
M20 |
|||
|
專用手柄(可選) |
PH-25 |
PH-25 |
PH-30 |
|||
注:由于產品不斷改良,當外形與參數變更時,均以實物為主,想要了解更多產品詳情可電話聯系我們。
TIRROLLER?WBL型搬運小坦克為日本原裝進口產品,保質1年,我公司承諾凡是客戶在我公司定購的進口類產品均為原裝正品,絕不存在拆件貨,換件貨,假冒品牌產品,凡客戶從我公司訂購日本TIRROLLER產品如收到貨物時發現有拆件貨,換件貨,假冒、假貨仿貨均以100倍金額賠償。